Главная
»
Вводная клемма для гребенки купить
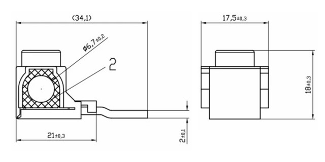
Клемма вводная для соединительных шин (боковой ввод) (ID#1306173852 ...