Реле зарядки генератора газ 53 (id 101787056)
Схема генератор газ 53 59 фото - wForm.ru
Реле регулятор напряжения автомобиля ГАЗ-66, ГА...
Реле регулятор напряжения для генератора газ 53
Схема подключения реле генератора газ 53 - 95 фото
Схема подключения генератора газ 53 к реле регу...
Реле регулятор напруги Газ 52, 53, САЗ-53Б (14 ...
Схема реле газ 53
22370203 Реле регулятор напряжения ГАЗ-53,52 ге...
Схема включения генератора газ 53
Генератор газ 53 характеристики – Как устроен г...
Реле интегральное ГАЗ-53 (СовеК) 22.3702 (ID#22...
223702 Реле регулятор напряжения ГАЗ-53,52,М-21...
Схема подключения генератора газ
Купить Реле регулятор напряжения генератора 13....
Купить Реле втягивающее ГАЗ 53, 66, ПАЗ СССР СТ...
Реле зарядки газ 53 где находится - фото
Обзор товара Реле регулятор напряжения ГАЗ-53,5...
Реле регулятор напряжения ГАЗ 52 53 ВОЛГА 24 (С...
Как подключить генератор на газ 53 схема подклю...
Предохранители газ 53 и реле с описанием и элек...
Реле регулятор напруги Газель, Волга, ГАЗ 53 (б...
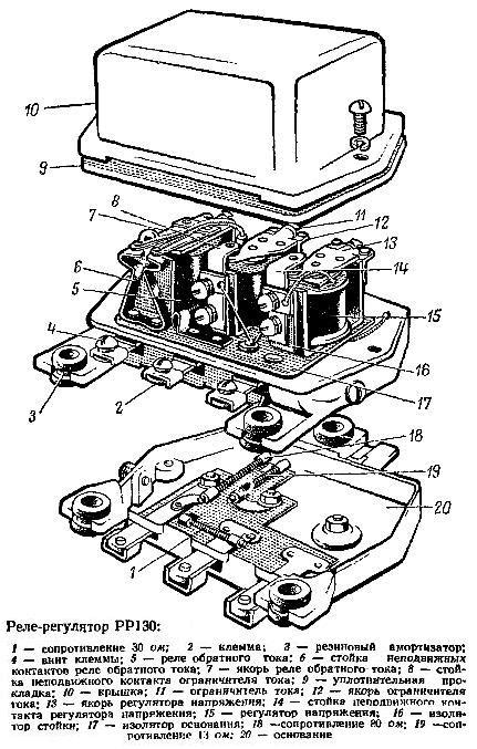
РЕЛЕ НАПРЯЖЕНИЯ ГАЗ-53
Купить Реле регулятор напряжения генератора УАЗ...
Схема подключения генератора газ 53 с реле регу...
Реле регулятор напряжения ГАЗ-53, 52 генератора...
Регулятор напряжения (реле зарядки) ГАЗ-53,66: ...
Предохранители Газ 53 и реле с описанием и элек...