Трубы PEX, PERT и фитинги - Купить по низкой це...
Tuyau de plomberie PEX - IFAN FACTORY
Труба металлопластиковая PEX-AL-PEX, 20x2.0 мм,...
PEX Piping
Сантехническая труба PEX: практика монтажа и пр...
Купити Труба металопластикова для водопостачанн...
Трубы PE-RT, PEX, PEX-AL-PEX — Теплоинвест
Трубы FLEX, PEX – Термоклуб
Труба металлопластиковая бесшовная STI 16х2.0 м...
Трубы РЕ-Ха и фитинги - oldim.kiev.ua
Труба для отопления, воды, 20 x 2, металлопласт...
Труба металлопластиковая (металлополимерная) PE...
КВТ Набор расширителей для труб PEX
Труба из сшитого полиэтилена PEX, с антикислоро...
해상 풍력 발전 공급 업체, 제조업체, 공장의 중국...
Трубы PEX на атомных электростанциях - www.supe...
Трубы из сшитого полиэтилена PEX A, B, C — разн...
Металлопластиковые трубы pex для отопления - ку...
Трубы металлопластиковые PEX-AL-PEX, PERT-AL-PE...
Труба металлополимерная Pex-Al-Pex 16x2.0 VVM с...
Systém PEX-AL-PEX
Трубы из сшитого полиэтилена «ABC-PEX» от офици...
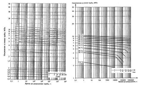
Основные отличия труб PEX-a и PEX-b
Трубы из сшитого полиэтилена PEX-a для питьевой...
Труба металлопластиковая Valtec PEX-AL-PEX V162...
Труба ISOLTUBEX PEX-A PIPE 20X1,9 мм (100 м.), ...
Металлопластиковые трубы PEX-AL-PEХ применение,...
Труба металлопластиковая Professional series PE...
ТРУБА PEX - Трубы и фитинги Wavin Ekoplastik
Труба Wirsbo Pex для водоснабжения
What Is PEX Pipe
Трубы с кислородным слоем PEX-a EVOH - купить у...
Труба металлопластиковая PEX-AL-PEX 16x2,0 б/ш ...
Трубная система из сшитого полиэтилена "ABC-PEX...