Самосвал КАМАЗ-65115: технические характеристик...
КамАЗ-65115: технические характеристики самосва...
Технические характеристики самосвала КаМАз 6511...
AUTO.RIA – Продам КамАЗ 65115 2006 : 17500 $, Т...
Грузовой автомобиль КАМАЗ 65115: описание
КамАЗ 65115 от "Звезды" | Пикабу
Щетки стеклоочистителя КамАЗ 65115 купить цена ...
AUTO.RIA – Продам КамАЗ 65115 2008 : 27700 $, К...
КаМАЗ 65115 масло для двигателя 10.85 какое и с...
Стабилизатор передний камаз 65115 схема - фото
КАМАЗ 65115
КамАЗ-65115 самосвал технические характеристики...
Самосвал КамАЗ-65115, четырёхосное шасси
AUTO.RIA – Продам КамАЗ 65115 2006 : 25500 $, Київ
КамАЗ 65115 (Звезда) | Самарский клуб стендовог...
AUTO.RIA – Продам КамАЗ 65115 2006 : 15500 $, Т...
Наши проекты: Передняя пневмоподвеска на Камаз ...
Камаз 65115 тягач (38 фото) - красивые картинки...
AUTO.RIA – Продам КамАЗ 65115 1 2006 : 19500 $,...
Камаз 65115: с прицепом, тюнинг модели
Щиток приборов КамАЗ-65115
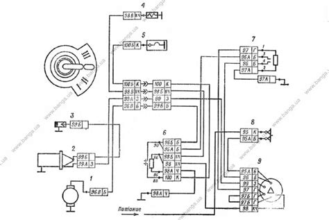
Камаз 65115 схема предохранителей и реле
КАМАЗ 65115 технические характеристики, двигате...
AUTO.RIA – Продам КамАЗ 65115 2006 : 17000 $, Київ
Устройство замка зажигания камаз 65115 - фото
Система выпуска газа (65115) КамАЗ-65115
Тех характеристика двигателя камаз 65115
Крутящий момент камаз 65115 - 85 фото
Двигатель на КАМАЗ 65115
Предохранители и реле Камаз 65115 Евро 3 / 4 с ...