ДЕШИФРАТОРЫ - Электроника и микропроцессорная т...
Шестнадцатиричный дешифратор на микросхеме » Па...
Дешифратор на 2 входа микросхема
Что такое шифратор и дешифратор
Принцип работы дешифратора кратко
Основы цифровой электроники: дешифраторы и дему...
Дешифраторы ТТЛ серии | Электрические схемы
Микросхема дешифратор индикатор семисегментный ...
Цифровые микросхемы - начинающим (занятие 9) - ...
Дешифраторы и шифраторы, Дешифраторы, Шифраторы...
Дешифраторы | Основы электроакустики
Схема включения к155ид3: 1.9 Микросхема дешифра...
Применение шифраторов и дешифраторов | HomeElec...
564ИД1, микросхема, двоично-десятичный дешифрат...
Микросхема 74HC138D 100 шт. дешифратор/декодер ...
Дешифраторы и шифраторы, Дешифраторы - ОСНОВЫ Э...
Дешифратор для семисегментного индикатора с общ...
Микросхема дешифратор к155ид1 купить в Москве с...
Микросхема счетчик дешифратор на 10
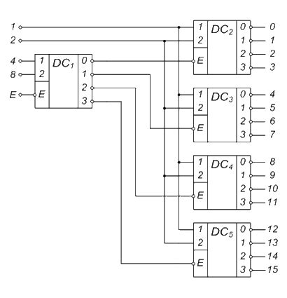
Микросхемы дешифраторов - Проектирование методи...
Дешифраторы. Изучение работы дешифраторов, стра...
Дешифраторы ТТЛ серии | Радиолюбитель-конструктор
Микросхема CD4511 BCN DIP-16 дешифратор индикат...
Интегральные микросхемы комбинационного типа - ...
74HC138D, Микросхема, Дешифратор / Демультиплек...