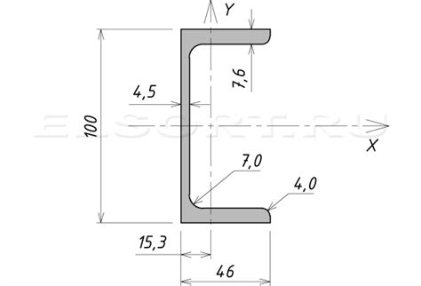
Швеллер №10П 100х46х4,5 сталь г/к ГОСТ 8240-97 ...
Швеллер 16П 12М СТ3ПС5/СП5 купить по цене 56400...
Швеллер №8П
Швеллер 8 в Челябинске — цена за 1 метр — прода...
Швеллер 8П купить в Киеве, цена - ЗАВОД M-METAL
Швеллер 8П 12м
Купить швеллер 8п в СПб, цена за тонну, за метр
Швеллер, 8 см 12000 мм в наличии по низкой цене...
Продам Швеллер 10П, в наличии. Цена: 750₽ во Вл...
Швеллер 8С специальный по ГОСТ 8240-97. Размеры...
Швеллер 8П 12м цена в Самаре
Швеллер 18Л легкой серии с параллельными граням...
Швелер 8П | ООО"M-TECH Technology"
Швеллер 8 стальной (5,85м)
Швеллер 8П Ст3/С255 Стандарт — купить в Москве,...
Швеллер 5П: характеристики и область применения
Швеллер 12П - купить в Москве, цена от 776 ₽ за...
Скачайте сертификаты на швеллер п от компании В...
Швеллер — купить в Нижнем Новгороде | Норд Металл
Швеллер с параллельными гранями полок по гост 8...
Швеллер горячекатаный 10П - Строй Двор ЗАРЯ
Швеллер стальной ГОСТ 8240-97, цены на швеллер
Швеллер 10П ГОСТ 8240-97 - масса, размеры, хара...
Швеллер № 10 П - купить в Москве с доставкой и ...
Швеллер 8: размеры, 8П и 8У, их отличия. Вес 1 ...
Швеллер стальной 8П купить | Ремонт и строитель...
Shveller-8
Швеллер горячекатаный 8 6 м — купить в Санкт-Пе...
швеллер 8П - YouTube
Швеллеры в Санкт-Петербурге от компании НК-Сервис
Как правильно подобрать размеры швеллеров