СУ-7 | Застройщик в Костроме | ВКонтакте
Купить сигнализатор загазованности по метану сз...
Презентація на тему "Сенситивні та критичні пер...
1.4. Модель управления запасами с разрывом цены
Фото к объявлению: сівалка причіпна.Сеялка приц...
СЗ1 - YouTube
Поединки СЗ1 - YouTube
5. Токовые отсечки
Жидкая резина "Фикс Про 3 в 1" купить недорого ...
Сівалка зернова СЗТ-1 (СІ7 / СЗ-1 ) до мінітрак...
Сеем суданку сеялкой СЗ1,6 мини трактором Донг ...
Kuaizhou KZ-1 quick-response launch vehicle
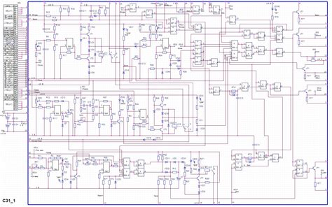
1. Схемы и принцип действия эпу промежуточной с...
TRAINZland - Search
2.2.4.6 Одновибратор: 155 ла3
Сз1_Загальнослов’янські ознаки польської націон...
Великобритания представила доказательства приме...
СІВАЛКА ЗЕРНОВА СЗ-1, цена 22350 грн — Prom.ua ...
Монокуляр ночного видения AGM PVS-14 АГМ ПВС-14...
Установлена оптимальная доза потребления витами...
Сигнализатор СЗ-1, СЗ-1-1Г, СЗ-1-2Г | Завод газ...
Блоки и узлы электрооборудования троллейбусов
⭐ Сигнализаторы заземления типов СЗ1. Низкие це...
СЗ-1 сигнализаторы загазованности природным газ...
Что должен знать и уметь ребенок в 1 год
Ръчен лазерен заваръчен апарат Wattsan Welding ...
Купить Зерновая сеялка на минитрактор СЗТ-1 (СІ...
Купить сигнализатор сз-1 природный газ (метан) ...
ЗРК Панцир-С1 встановлений за 2,5 км від дачі Ш...