Главная
»
To 3p корпус
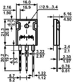
TO-3P