MOONS鸣志伺服电机驱动器SM3L系列-高精度-闭环通讯...
SM3L-084AXNPV - SM3 Series Servo Motors | MOONS'
เมนบอร์ดไมโครเวฟ RCS-SM3L-90 | Lazada.co.th
SM3L-102ATNUV - SM3 Series Servo Motors | MOONS'
SM3L-084AXBPV - SM3 Series Servo Motors | MOONS'
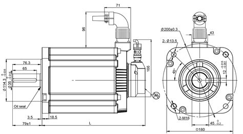
SM3L-083AB_DV
บอร์ดไมโครเวฟ SAMSUNG รุ่น RCS - SM3L - 218 บอร...
Мрежов трансформатор ST-SM3L за печатен монтаж ...
Трансформатор платы управления ST-SM3L для микр...
บอร์ดไมโครเวฟซัมซุง/แผงวงจรไมโครเวฟซัมซุง อะไหล...
Standard Missile-3 (SM-3) | Missile Threat
SM3 Series Servo Motors - MOONS'
SM3L-103AXBUV - SM3 Series Servo Motors | MOONS'
Động cơ Servo Moons SM3L-042AXBDV 100W Không ph...
Трансформатор СВЧ Samsung ST-SM3L - Запчасти Ра...
SMLVT3V3 STMICROELECTRONICS, TVS-Diode, Transil...
Samsung Trans Switching, ST-SM3L, MWO, 110~240V...
Standard Missile 3 (SM-3) - Stock Image - C050/...
TRANS SWITCHING ST SM3L MWO 110~240V (FR - Sams...