Купить Пускатель ПМЕ-311 380В оптом от завода п...
Вже відмовилися 311 тисяч українців: Нафтогаз з...
טאבלט מוקשח PM311B, טאבלט מושלם לליקוט נתונים ו...
Metra Blansko PU 311 -tranzistorový měřič izola...
Катушка к пускателям ПМЕ-211, ПМЕ-311 купить за...
Metra Blansko PU 311 - tranzistorový měřič izol...
Р-311 – спортивный приемник доработка
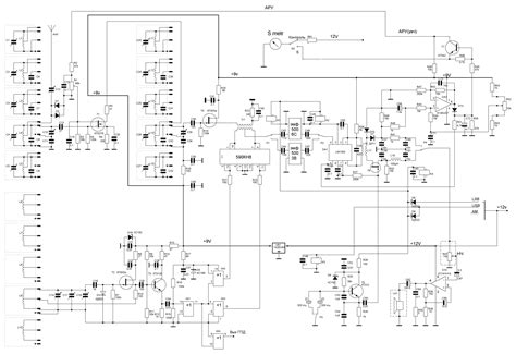
Переделка приемника Р-311 до современного уровня.
Епизод 311 - Петър Шарков - Свръхчовекът
311.коммуникативная культура учителя учебное по...
Приемник Р-311 - КВ и УКВ радиосвязь - Форум по...
(S) Пускатель ПМЕ-311-40А-36АС-(2з+2р)-УХЛ4-В -...
311 | PDF
311.новый метод предотвращения поглощения буров...
Baureihe 3 311.1 (Kö I, DB 311) Fotos - Bahnbil...
Metra Blansko PU 311 -tranzistor. měřič izolačn...
Webinar On “Role Of P311 In Metabolic Health An...
Пускач ПАЕ 311
WEBINAR ON “ROLE OF P311 IN METABOLIC HEALTH AN...
311 - assostroy
311 - akbmag
P-311
Р-311 – спортивный приемник - US5MSQ
Модуль тормозного оборудования Е.311КМ
Пускатель ПМЕ 311 110 В, цена в Екатеринбурге о...
مشخصات، قیمت و خرید پایه میکروفن رومیزی اس پی ...
and_311
CPM 311 | Dema Röle
Eugenio´s Warships - 311 MPK-205 Kazanets