Постоянно работает электромуфта камаз евро - 88...
ЭБУ электромагнитной муфтой привода вентилятора...
Как проверить электромагнитную муфту вентилятор...
Электромуфта камаз купить в Новом Уренгое | Авито
Подключение электромуфты камаз евро 2
ЭЛЕКТРОМУФТА ВЕНТИЛЯТОРА КАМАЗ ЕВРО 2.ПРИНУДИТЕ...
Электромуфта камаз евро 2 (66 фото) - красивые ...
Электромуфта Вентилятора Дв. Умз "Евро-3" "Пека...
Ремонт электромуфты вентилятора Камаз — Сообщес...
130-12-015 Вентилятор КамАЗ-ЕВРО 650мм с вязкос...
Электромуфта вентилятора камаз купить в Энгельс...
Принцип работы вязкостной муфты вентилятора кам...
Электромуфта вентилятора камаз евро 4 схема под...
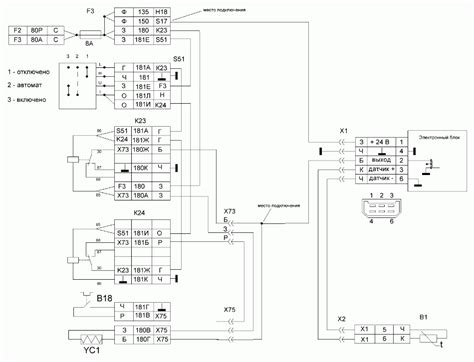
Схема подключения электромуфты вентилятора камаз
Подшипник привода вентилятора камаз
Муфта вентилятора уаз — купить по низкой цене н...
Вентилятор, гидромуфта Камаз
Электромуфта вентилятора — ГАЗ Соболь, 2,5 л, 2...
Готовые изделия
Муфта электромагнитная КамАЗ Евро 2 - YouTube