Высоковольтный конденсатор: фазосдвигающий, имп...
Конденсатор DUCATI ENERGIA 416109964 для двигат...
Как рассчитать рабочий конденсатор для однофазн...
Практические задания!
4.16.10.30.64 - Конденсатор: для двигателей, фа...
Ducati energia конденсатор 25 мкф
C274ACA4250AL0J, Конденсатор для двигателей, фа...
Конденсатор: для двигателей, фазосдвигающий; 25...
Высоковольтный конденсатор фазосдвигающий импул...
Как на электрических схемах обозначается конден...
Таблица подбора конденсаторов для однофазного д...
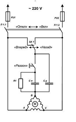
ТРЁХФАЗНЫЙ ДВИГАТЕЛЬ В ОДНОФАЗНОЙ СЕТИ
MIFLEX I150V468K-G1 - Конденсатор: для двигател...
Высоковольтный фазосдвигающий металлобумажный ч...
Классификация и устройство стиральных машин
Расчет фазосдвигающего конденсатора для трехфаз...
Конденсатор для сдвига фазы 120