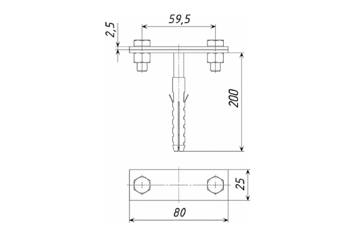
Фасадный держатель Protectpro для полосы оцинк., L=100мм 5006 ...

Фасадный держатель Protectpro для полосы оцинк., L=100мм 5006 ...