6Ф6С - сказка для радиолюбителей про радиолампы...
Radiotech modding labs: Ламповый усилитель на 6...
Ламповый усилитель 6ф6с 6п6с купить в Севастопо...
6Ф6С, Tube 6Ф6С; Röhre 6Ф6С ID18859, Vacuum Pen...
6ф6с усилитель схема 59 фото - wForm.ru
Цоколевка ламп и их основные характеристики
Ламповый усилитель SE на 6Ж4 и 6Ф6С - RadioLamps
6F6S / 6F6G / 6F6 / 6Ф6С Vintage USSR Pentode t...
6Ф6С-6F6S/6F6G/6F6GT/6F6 - cheap vacuum tubes p...
Радиолампа 6Ф6С купить на OZON по низкой цене (...
Двухтактный усилитель 6Н9С(6Н8С)+6Ф6С
Лампа 6Ф6С - RadioLamps
6ф6с кто готовил? - Ламповая техника - Форум по...
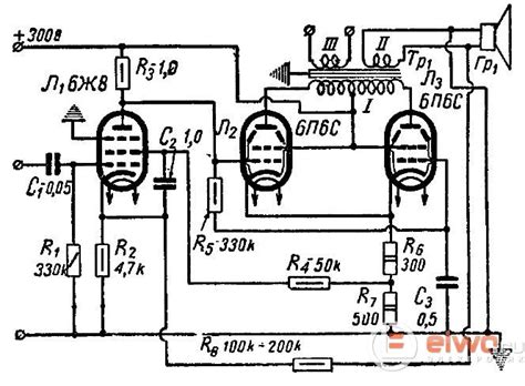
Приемник для местного приема радиостанций на ла...
Matched quad 6F6S (6Ф6С) = 6F6G - RETROSTORE.EU
6Ф6С, Лампы пальчиковые, характеристики, примен...
Ламповый усилитель, двухтакт 6ф6с (Кобра). Новы...
Однотакт На 6Ф6С - Ламповая техника - Форум по ...
6F6S 6Ф6С 6F6G 6F6 MATCHED QUAD PENTODE VACUUM ...
Однотактный ламповый усилитель на 6Н8С-6Ф6С - 1...
Лампа 6п6с схема подключения
Dr.Pento - 6П6С vs 6П3С-Е vs 6Ф6С - YouTube
6F6S 6Ф6С STRONG MATCHED QUAD RUSSIAN VACUUM TU...
6Ф6С
6ф6с в пентоде