Как включить круиз контроль на шевроле каптива ...
Переключатель круиз-контроля, Многофункциональн...
Кнопки круиз контроля Chevrolet CAPTIVA (C140) ...
Кнопки круиз-контроля — Chevrolet Cruze (1G), 1...
Руководство для начинающих: отключение круиз-ко...
Как пользоваться круиз-контролем Шевроле Эпика
Установка кнопок круиз-контроля — Chevrolet Tra...
установка круиз контроля на шевроле кобальт (мн...
Что нужно для установки круиз-контроля на Шевро...
Как активировать круиз контроль на Шевроле Круз
Как пользоваться круиз контролем: контроль - чт...
Многофункциональная Кнопка круиз-контроля, Blue...
Кнопки ключа Шевроле Круз — купить в Минске
Как на шевроле круз включить круиз контроль на ...
Круиз-контроль: что это такое в автомобиле, и к...
Приборная панель шевроле круз описание значков:...
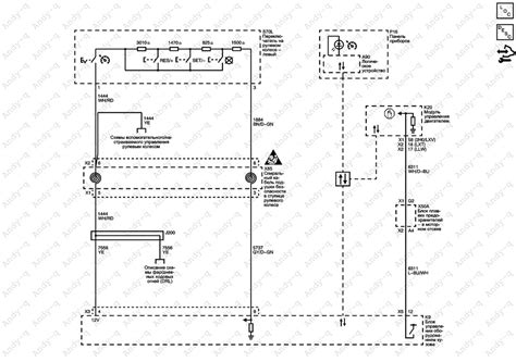
Схема круиз контроля Шевроле Круз (Chevrolet Cr...
Установка круиз контроля шевроле каптива
Canhacker, SWcan. Кнопки управления круиз контр...
Круиз-контроль в автомобиле: что это и как его ...
Органы управления автомобилем (Шевроле Круз 1 2...
Как снять кнопки на руле шевроле круз - 94 фото
Ключ выкидной Chevrolet Cruze (Шевроле Круз) 3 ...
Как работает круиз контроль на автомате: контро...
Корпус ключа Шевроле, Круз, Авео, Орландо, 4 кн...
Кнопка круиз контроля Шевроле Круз купить | Авт...
Кнопки Управления Круиз Контролем Шевроле Вольт...